Saltar al contenido
Menú
Inicio
Productos
MECATRÓNICO
MOVIMIENTO LINEAL
Rodamientos lineales(NB)
Rodamientos lineales
Soporte con rodamiento
Soportes de apoyo longitudinal del eje
Soportes de apoyo para el extremo del eje
Mesas de deslizamiento
Sistema lineal Hiwin
Husillos a bolas Hiwin
Actuadores Hiwin
Guías lineales de precisión (ROSA)
Nadella
TRANSMISIÓN
Trantorque
Trantorque M
Cadena rodillos
Tensores de cadena
Piñones y discos para cadena
Engranajes
Guías de deslizamiento para cadena (DIN 8187)
Poleas variadoras
Limitadores de par
Acoplamientos
Correas
Correas eslabonadas
Correas power twist
Poleas
Ringblocks
Reductores SITI
Motores
Actuadores mecánicos (martinetes)
Vibradores
RODADURA
Rodamientos
Rodamientos FAG-URB-ISB-OKO
Rodamientos TIMKEN
Rodamientos de agujas
Rodamientos de Precisión
Rótulas
Soportes
Soportes con rodamiento lineal incoporado
Soportes partidos
Manguitos de montaje
Manguitos de desmontaje
Tuercas «KM» y arandelas «MB»
Bolas
Casquillos
Casquillos autolubricados de bronce
Casquillos de fricción
OTROS PRODUCTOS
Núcleos cónicos
Obturación
Lubricación, grasas y aceites
Nilos
Tuercas de precisión
Anillos de tolerancia
Circlips
Bases tensoras
Equipos de mantenimiento
Bolas transportadoras
Válvulas
Descarga de Catálogos
Noticias
Contacto
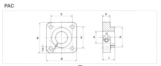
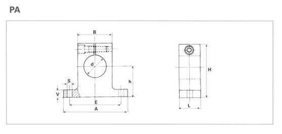
Soportes de apoyo para el extremo del eje
PA…
PAK…
PAC…